ZUS6000示波器
12bit高速ADC,看清波形微小细节示波器的ADC 位数越高,波形的垂直分辨率就可以越细,就可以看到更多的波形细节。ZUS6000 采用12bit 高速ADC
12bit高速ADC,看清波形微小细节示波器的ADC 位数越高,波形的垂直分辨率就可以越细,就可以看到更多的波形细节。ZUS6000 采用12bit 高速ADC
12bit高速ADC,看清波形微小细节
示波器的ADC 位数越高,波形的垂直分辨率就可以越细,就可以看到更多的波形细节。ZUS6000 采用12bit 高速ADC,垂直分辨点数达到4096点,测量精度达到0.8%,可以精准地观察到更微小的波形变化。

更低的本底噪声与无级FIR滤波,给你想要的真实波形
提升示波器ADC采样位数的同时,需要降低示波器本底噪声对实测信号的影响。ZUS6000 示波器不仅拥有良好的本底噪声(50Ω阻抗实测为137μVrms),还提供无级FIR 滤波器,可在10Hz-500MHz 之间设置任意滤波频点,滤除无效信号。

可独立配置的参数测量统计
在之前的示波器产品中,所有的测量参数使用的是同一阈值设置,如果要测试两个不同高度的上升时间,就需要将示波器暂停,通过修改配置做两次测量。ZUS6000可针对测量参数做独立的阈值设置,实现针对同一信号、在同一时刻,显示不同的测量结果。

多公式波形运算,提升计算效率
ZUS6000支持同时增加多达4个不同公式的波形运算,不同运算结果可以显示在不同的波形窗口,让工程师看到更多的视角和细节。运算通道可以选择显示与隐藏,同时不影响运算的正常进行,操作灵活,满足更多场合需求。

创新X-Key键实现自定义功能与测试流程
不同工程师使用示波器有不同的习惯操作,为了满足不同工程师的习惯需求,ZUS6000创新性的推出了自定义按键X-Key,工程师可以通过X-Key定制示波器操作、参数测量、波形保存、脚本分析等各种动作和功能,给您更多的自由选择。

电源分析插件全面评估产品性能
ZUS6000提供的电源分析功能涵盖了输入输出特性测试,MOSFET、磁性元件、电容、电感等器件分析,调制波形测试,可以全方位评测电源产品的可靠性。

环路分析与PSRR测试,深入评估电源性能
稳定的反馈环路对开关电源来说是非常重要的,伯德图可以直观呈现负反馈系统的增益、相位的频率响应曲线,进而可以判断控制系统是否稳定。电源纹波抑制比(PSRR)也是电源重要的性能参数,评估电源电压发生变化时,对输出的电压影响大小,ZUS6000提供的环路分析功能,配合信号注入器可以实现PSRR的快速测试。

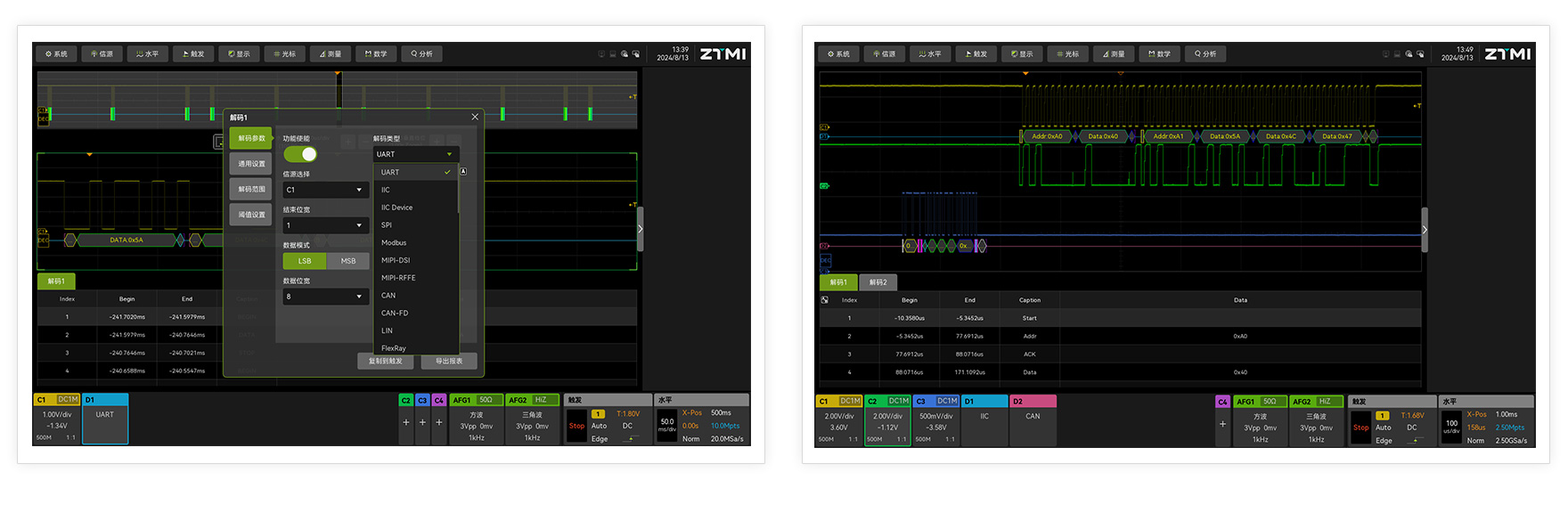
标配40余种协议类型,创新双线解码
ZUS6000不仅延续了致远仪器免费协议解码的传统,提供了40余种串行通信协议解码,还创新性的支持了双解码功能,可以实现同一时刻,不同协议同时解析,这一实用功能将大大提升了工程师做协议分析的效率。

时序分析完成总线一致性测试
手机、智能穿戴、家电、多媒体影音、汽车电子配件等智能设备,对于内部总线通信时序一致性有严格要求。ZUS6000创新的时序分析功能,可分析IIC、IIS、SPI、MIPI-RFFE等信号的脉宽、幅值、边沿、建立时间、保持时间等参数,并导出测试一致性报告。

以太网总线分析
ZUS6000支持百兆以太网分析软件,能够自动测试以太网100Base-TX标准的信号特性,并在短时间内完成信号眼图,传输特性分析,并与标准协议参数做对比,给出信号测试结果( Pass/Fail ),并支持完整测试报告的导出。

全新远程控制方式,提升产品使用便捷性
为了更方便工程师对示波器的的操作以及对波形数据的处理,ZUS6000同步提供全新一代MTA上位机软件和全新的web远程服务器功能,帮助工程师进行远程控制示波器,读取示波器波形,甚至实现脚本文件编程下发,实现示波器快速二次开发的应用。
